|
適用于低溫到高溫,真空到高壓等各種環(huán)境,是石油、化工等工業(yè)部門的理想液位測量產品。根據在容器中安裝位置的不同,提供側裝和頂裝兩種形式。根據工作介質不同,提供不銹鋼和ABS、PP-R工程塑料三種材質,其中ABS、PP-R材質適用于酸、堿等腐蝕性介質。
|
|
特點
|
|
|
1、以浮子為測量元件,磁鋼驅動翻柱顯示,無需能源。
2、配上下限開關輸出,可實現遠距報警,限位控制。
3、配變送器可實現液位遠距報指示,檢測與控制。
|
|
結構及工作原理
|
|
|
1、基本型
根據浮力原理,浮子在測量管內隨液位的升降而上、下移動,浮子內的磁鋼通過耦合作用,驅動紅、白色翻柱翻轉180°,液位上升時翻柱由白色轉為紅色,下降時由紅色轉為白色,從而實現液位指示。
2、電遠傳
在浮子液位計上安裝變送器,通過浮子上下移動,經磁耦合作用使導桿內測量元件依次動作,獲得電阻信號變化,轉換成0~10mA或4~20mA的標準信號輸出,與顯示儀表或計算機連接,達到遠傳目的。
3、上下限開關輸出
在液位計立管上由用戶設定上、下限位置安裝控制器,控制器內帶有自保持作用的舌簧開關,利用磁性浮子隨液位移動使簧片開關動作時,實現報警或限位控制。
|
|
|
|
系統(tǒng)構成及接線
|
|
1、上下限開關輸出
由具有自保持作用的舌簧開關和轉換器組成,舌簧開關和轉換器分別安裝于現場和控制室,由轉換器提供三對觸點開關。
2、電遠傳
由測量單元和變送單元兩部分組成。
3、本安防爆
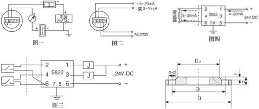
a 帶本安防爆,上、下限開關輸出型
防爆開關由舌簧開關和帶繼電器觸點的安全柵組成,可向用戶直接提供一對常開或常閉觸點。如用戶需更多觸點可特殊設計訂貨。(圖三)
b 帶本安防爆遠傳型
適合使用于∏類電氣設備(工廠用)、C級氣體,高表面溫度組別T4(135℃)。(圖四)
c 使用注意事項
①變送器外殼設有外接地,用戶使用時須可靠接地。
②安全柵的使用應遵守有關使用說明內容。
③變送器與安全柵本安端的連接電纜為二芯屏蔽電纜,芯線截面積>0.5m ,電纜允許分布電容為0.8μF
|
|
|
|
用戶自備法蘭
|
|
安裝形式
|
主體材質
|
公稱直徑
|
公稱壓力
|
D
|
D1
|
D2
|
n
|
d
|
f
|
b
|
|
側裝
|
不銹鋼
|
20
|
4.0
|
105
|
75
|
56
|
4
|
14
|
2
|
16
|
|
ABS
|
20
|
10
|
105
|
75
|
56
|
4
|
14
|
2
|
16
|
|
頂裝
|
不銹鋼
|
200
|
2.5
|
360
|
310
|
274
|
12
|
26
|
3
|
32
|
|
ABS
|
200
|
0.6
|
320
|
280
|
274
|
8
|
8
|
3
|
32
|
|
|
主要技術指標
|
|
安裝形式內容
|
側裝式
|
頂裝式
|
|
安裝間距
(測量范圍)
|
不銹鋼
|
500~5000(mm)
|
500-2500(mm)
|
|
ABS、PP-R
|
500~4000(mm)
|
|
工作壓力
|
0.6,1.6,2.5,4.0MPa
|
0.6,1.6,2.5MPa
|
|
介質密度
|
>0。6g/c
|
>0.76g/c
|
|
法蘭連接
|
不銹鋼
|
法蘭20-40(DN20 PN1.0-4.0)
(GB9119-88)
|
法蘭200-25(DN200 PN1.6)
(GB9119-88)
|
|
ABS
|
法蘭20-10(DN20 PN1.0)
(GB9119-88)
|
法蘭200-6(DN200 PN0.6)
(GB9119-88)
|
|
主體材料
|
ICr18Ni9Ti、ABS、PP-R(工作壓力0.6MPa)
|
|
介質溫度
|
-40~100℃(ABS、PP-R:-40~80℃)
|
|
環(huán)境溫度
|
-40~+70℃
|
|
示值誤差
|
±100mm
|
|
介質粘度
|
≤1st(10-4 /s)
|
|
上、下限
開關輸出
|
1、控制靈敏度:10mm
2、輸出接點容量:AC220V 2A
3、接點壽命:5×104次
4、防爆特征:iaIICT4本質安全型
|
|
電遠傳、
連續(xù)顯示
|
1、精度:±1.5%
2、輸出負載:750Ω
3、輸出信號:0~10mA輸出,220V AC電源
4~20mA輸出,24V DC二線制
4、防爆特征:iaIICT4本質安全型
|
|
|
型號說明
|
|
AK-FB系列翻柱式磁浮子液位計
|
|
|
1 側裝式
2 頂裝式
|
安裝方式
|
|
|
1 1Cr18Ni9Ti
2 ABS
3 PP-R
|
主體材質
|
|
|
1 0.6MPa
2 1.6MPa
3 2.5MPa
4 4.0Mpa
|
公稱壓力
|
|
|
1 基本型
2 帶上下限開關輸出
3 帶電遠傳(0~10mA輸出,220V,AC)
4 帶電遠傳(4~20mA輸出,24V,DC)
5 帶本安防爆型(4~20mA,24V,DC)
6 帶本安防爆型上下限開關輸出
|
類型
|
|
|
L 安裝間距(測量范圍)
|
|
|
|
L1 安裝深度(頂裝式(0~4000mm任選)
|
|
|
|
介質密度ρ(g/c )
|
|
|
|
|
|
AK-FB-
|
2
|
2
|
1
|
1
|
L=2500mm
|
L1=3000mm
|
ρ=0.8g/c
|
舉例
|
|